DTCA24K-58.7-G-M95-AL冷和
最高支持88mm/24K靶面(miàn)相機
申請報價
産品參數
産品圖紙
相關應用
産品參數
data
基本參數
支持CCD尺寸(Φmm)
88(24K)
物方視場FOV(Φmm)
58.7
放大倍率β(x)
1.499
物方工作距WD(mm)
122±2
像方F/#
7.3-32
物方景深DOF(mm)
0.3-1.1
像方畸變(% max)
0.05
物方遠心度(° max)
0.1
物像距I/O(mm)
615±2
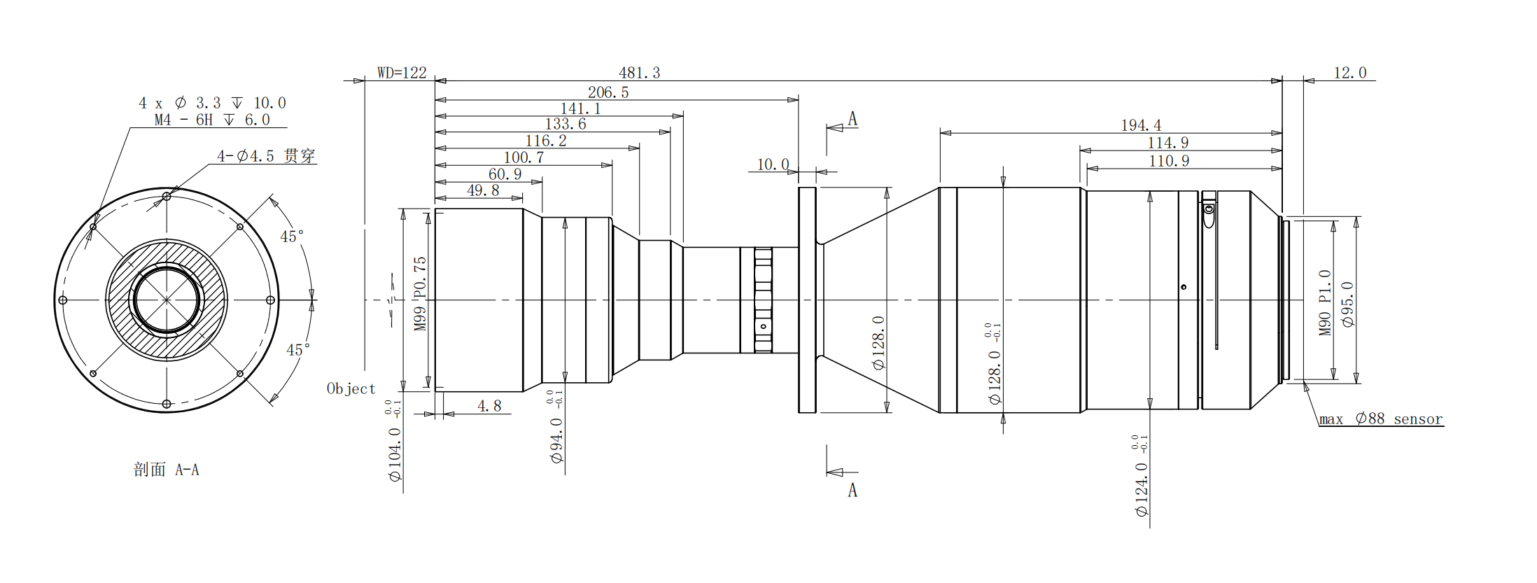
鏡頭總長(cháng)(mm)
481.3
鏡頭接口
M95
像方MTF30(lp/mm)
117-31
視野範圍(mmxmm)
4.2" IMX411(53.42x40.0算外1, 3.76μm)
35.6x26.7
24K(84, 3.5μm)
56.0
産品圖紙
drawing

結構圖

相關應用
application