DTCM16K-150-AL
最高支持16K/59mm靶面(miàn)相機
申請報價
産品參數
産品圖紙
相關應用
産品參數
data
基本參數
支持CCD尺寸(Φmm)
59
物方視場FOV(Φmm)
150
放大倍率β(x)
0.393
物方工作距WD(mm)
300±5
像方F/#
19.8
物方景深DOF(mm)
±5.1@F20
像方畸變(% max)
<0.1
物方遠心度(° max)
<0.1
物像距I/O(mm)
794±5
鏡頭總長(cháng)(mm)
482.0
鏡頭接口
M72
淨重(KG)
7.1
像方MTF30(lp/mm)
>45
視野範圍(mmxmm)
KAI-47051 (48.7x29.0)
123.9x73.8
Linescan-16K (57.4mm)
146.1
Linescan-8K (57.4mm頻服)
146.1
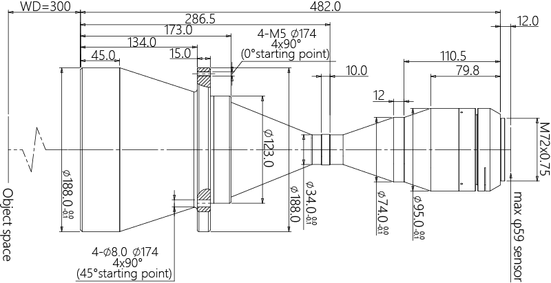
産品圖紙
drawing

結構圖




MTF曲線



相關應用
application