DTCM35FH-110-M58-AL員懂
最高支持35mm Full靶面(m空湖iàn)相機
申請報價
産品參數
産品圖紙
相關應用
産品參數
data
基本參數
支持CCD尺寸(Φmm)
43.6(35mm Full)
物方視場FOV(Φmm)
110
放大倍率β(x)
0.396
物方工作距WD(mm)
263±4
像方F/#
9.3
物方景深DOF(mm)
±4.1@F16
像方畸變(% max)
<0.1
物方遠心度(° max)
<0.1
物像距I/O(mm)
669±6
鏡頭總長(cháng)(mm)
393.9
鏡頭接口
M58
淨重(KG)
3.4
像方MTF30(lp/mm)
>90
視野範圍(mmxmm)
CMV50000 (36.43x27.62)
92.0x69.7
KAI29050/2 (36.17x24.11)
91.3x60.9
KAI43142 (36.18x24.12)
91.4x60.9
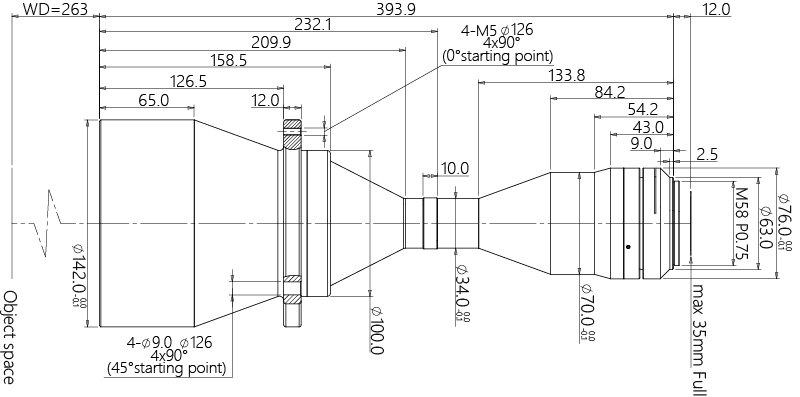
産品圖紙
drawing

結構圖



相關應用
application