DTCM71M-100H-M58-AL
最高支持71Mp靶面(miàn)得習相機
申請報價
産品參數
産品圖紙
相關應用
産品參數
data
基本參數
支持CCD尺寸(Φmm)
39
物方視場FOV(Φmm)
100
放大倍率β(x)
0.39
物方工作距WD(mm)
238±4
像方F/#
9.2
物方景深DOF(mm)
±4.2@F16
像方畸變(% max)
<0.1
物方遠心度(° max)
<0.1
物像距I/O(mm)
612.9±4
鏡頭總長(cháng)(mm)
362.9
鏡頭接口
M58
淨重(KG)
3.7
像方MTF30(lp/mm)
>102
視野範圍(mmxmm)
CHR 70M (31.0x21.7)
79.5x55.6
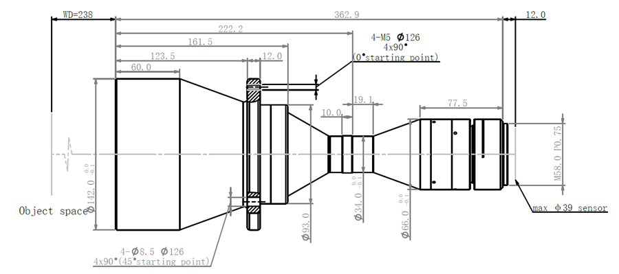
産品圖紙
drawing

結構圖


相關應用
application