DTCM71M-150-M58-AL
最高支持71Mp靶面(miàn讀醫)相機
申請報價
産品參數
産品圖紙
相關應用
産品參數
data
基本參數
支持CCD尺寸(Φmm)
39
物方視場FOV(Φmm)
150
放大倍率β(x)
0.26
物方工作距WD(mm)
300±5
像方F/#
13.1
物方景深DOF(mm)
±11.8@F20
像方畸變(% max)
<0.1
物方遠心度(° max)
<0.1
物像距I/O(mm)
739±5
鏡頭總長(cháng)(mm)
427.2
鏡頭接口
M58
淨重(KG)
6.3
像方MTF30(lp/mm)
>70
視野範圍(mmxmm)
CHR 70M (31.0x21.7)
119.2x83.5
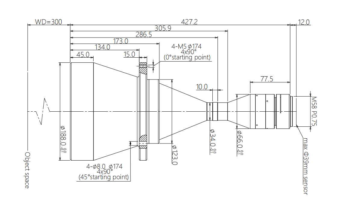
産品圖紙
drawing

結構圖


相關應用
application