DTCM210-72-M58-AL
最高支持2‘’靶面(miàn)相機
申請報價
産品參數
産品圖紙
相關應用
産品參數
data
基本參數
支持CCD尺寸(Φmm)
33(2")
物方視場FOV(Φmm)
72
放大倍率β(x)
0.458
物方工作距WD(mm)
178±3
像方F/#
9.7
物方景深DOF(mm)
±3.8@F20
像方畸變(% max)
<0.1
物方遠心度(° max)
<0.1
物像距I/O(mm)
469±3
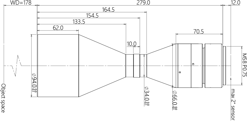
鏡頭總長(cháng)(mm)
279.0
鏡頭接口
M58
淨重(KG)
1.6
像方MTF30(lp/mm)
>90
視野範圍(mmxmm)
2" DALSA 12M(24.58x18.43)
53.7x40.2
2" PYTHON 25K(23.04x23.04友看)
50.3x50.3
産品圖紙
drawing

結構圖




MTF曲線




相關應用
application