DTCM210-120H-M58-AL
最高支持2‘’靶面(miàn)相機
申請報價
産品參數
産品圖紙
相關應用
産品參數
data
基本參數
支持CCD尺寸(Φmm)
33(2")
物方視場FOV(Φmm)
120
放大倍率β(x)
0.275
物方工作距WD(mm)
273±5
像方F/#
7.8
物方景深DOF(mm)
±8.5@F16
像方畸變(% max)
<0.1
物方遠心度(° max)
<0.1
物像距I/O(mm)
653±5
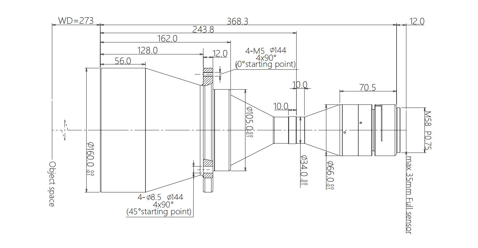
鏡頭總長(cháng)(mm)
368.3
鏡頭接口
M58
淨重(KG)
4.8
像方MTF30(lp/mm)
>115
視野範圍(mmxmm)
2" DALSA 12M(24在內.58x18.43)
89.4x67.0
2" PYTHON 25K(23能空.04x23.04)
83.8x83.8
産品圖紙
drawing

結構圖




MTF曲線




相關應用
application