DTCM210-100H-M58-AL
最高支持2‘’靶面(miàn)相機
申請報價
産品參數
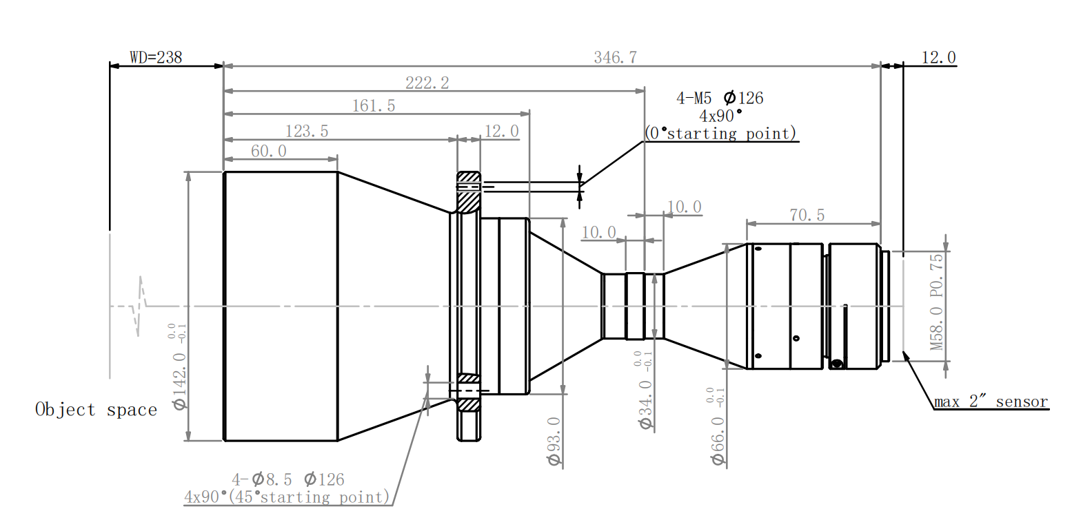
産品圖紙
相關應用
産品參數
data
基本參數
支持CCD尺寸(Φmm)
33(2")
物方視場FOV(Φmm)
100
放大倍率β(x)
0.33
物方工作距WD(mm)
238±4
像方F/#
7.8
物方景深DOF(mm)
5.9@F16
像方畸變(% max)
<0.1
物方遠心度(° max)
<0.1
物像距I/O(mm)
597±4
鏡頭總長(cháng)(mm)
346.7
鏡頭接口
M58
淨重(KG)
3.6
像方MTF30(lp/mm)
>118
視野範圍(mmxmm)
2" DALSA 12M(24.58x雨科18.43)
74.5x55.8
2" PYTHON 25K(23.04x23.04)
69.8x69.8
産品圖紙
drawing

結構圖


相關應用
application