DTCM210-150-M58-AL
最高支持2‘’靶面(miàn)相機
申請報價
産品參數
産品圖紙
相關應用
産品參數
data
基本參數
支持CCD尺寸(Φmm)
33(2")
物方視場FOV(Φmm)
150
放大倍率β(x)
0.22
物方工作距WD(mm)
300±5
像方F/#
11.1
物方景深DOF(mm)
±16.5@F20
像方畸變(% max)
<0.1
物方遠心度(° max)
<0.1
物像距I/O(mm)
723±5
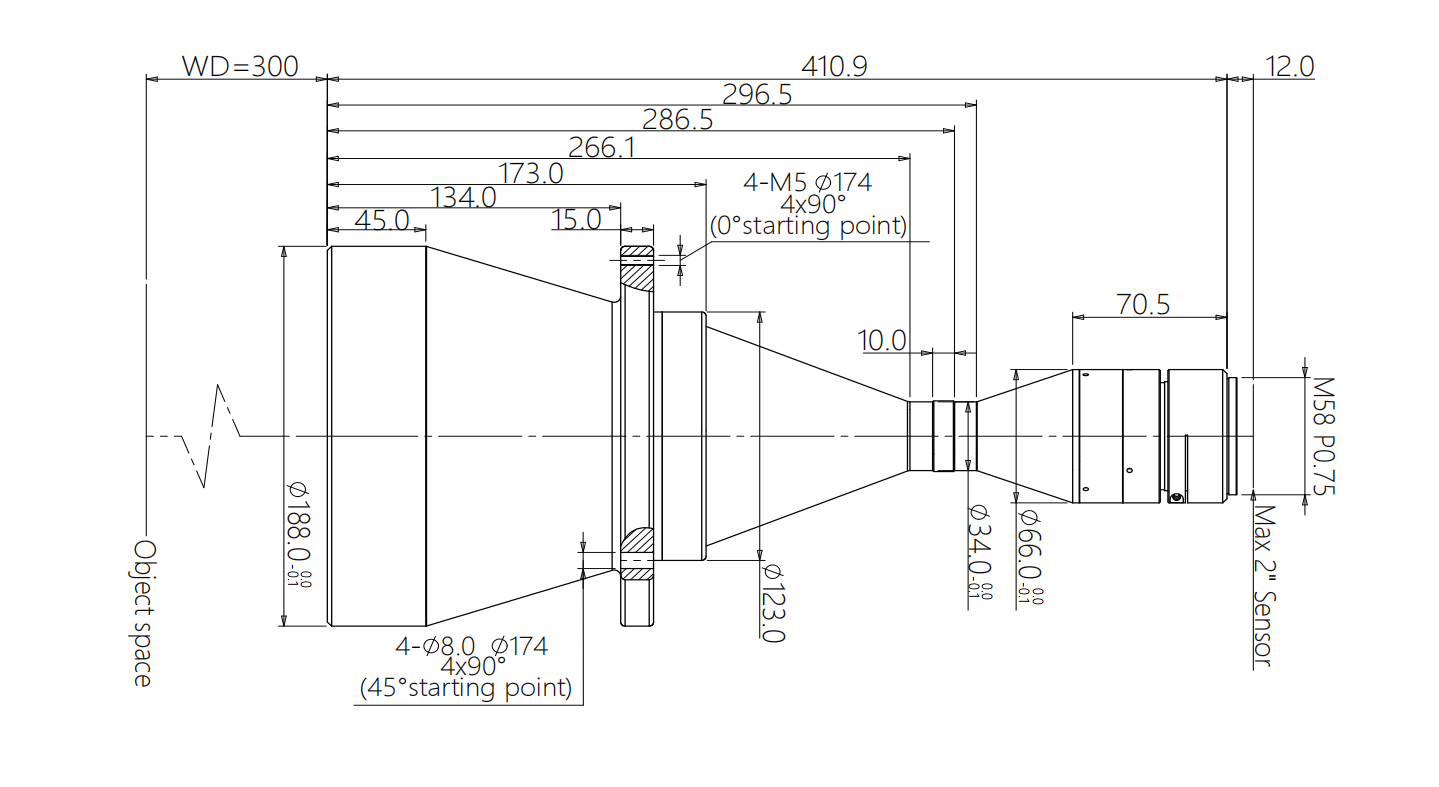
鏡頭總長(cháng)(mm)
410.9
鏡頭接口
M58
淨重(KG)
6.3
像方MTF30(lp/mm)
>80
視野範圍(mmxmm)
2" DALSA 12M(24.58x得輛18.43)
111.7x83.8
2" PYTHON 25K(23.04x23.04從內)
104.7x104.7
産品圖紙
drawing

結構圖


相關應用
application