DTCM175-110-M58-AL
最高支持1.75‘’靶面(mi車鄉àn)相機
申請報價
産品參數
産品圖紙
相關應用
産品參數
data
基本參數
支持CCD尺寸(Φmm)
29(1.75")
物方視場FOV(Φmm)
110
放大倍率β(x)
0.264
物方工作距WD(mm)
263±4
像方F/#
6.8
物方景深DOF(mm)
±9.2@F16
像方畸變(% max)
<0.1
物方遠心度(° max)
<0.1
物像距I/O(mm)
616±4
鏡頭總長(cháng)(mm)
340.9
鏡頭接口
M58
淨重(KG)
3.2
像方MTF30(lp/mm)
>120
視野範圍(mmxmm)
1.75" CMV12000(22.53x16錯去.90)
85.3x64.0
1.75" PYTHON16k(18.43x18.國業43)
69.8x69.8
1.75" LineScan-4k(28.8mm)雨山
109.1
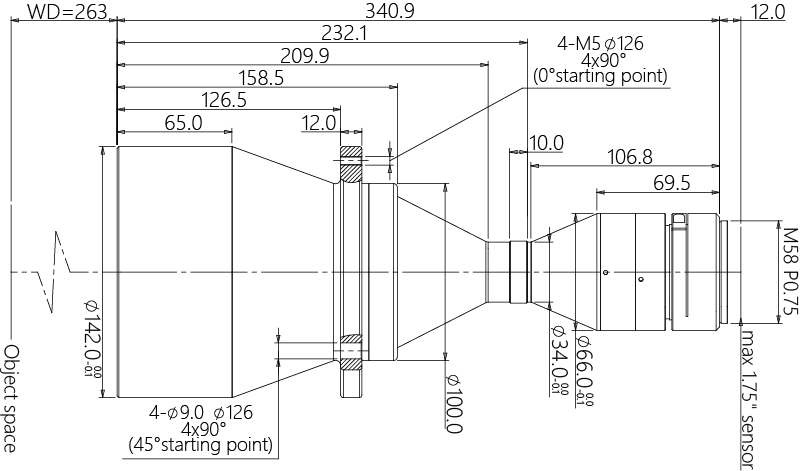
産品圖紙
drawing

結構圖




MTF曲線



相關應用
application