DTCM111-72-AL
最高支持1.1‘’靶面(miàn)相機
申請報價
産品參數
産品圖紙
相關應用
産品參數
data
基本參數
支持CCD尺寸(Φmm)
18.4(1.1")
物方視場FOV(Φmm)
72
放大倍率β(x)
0.256
物方工作距WD(mm)
178±3
像方F/#
6.2
物方景深DOF(mm)
±6.7@F11
像方畸變(% max)
<0.1
物方遠心度(° max)
<0.1
物像距I/O(mm)
417±3
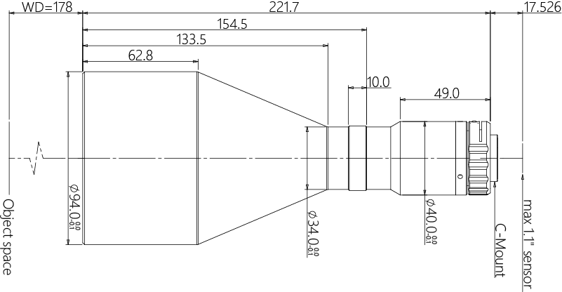
鏡頭總長(cháng)(mm)
221.7
鏡頭接口
C
淨重(KG)
1.2
像方MTF30(lp/mm)
>145
視野範圍 (mmxmm)
1" IMX183 (13.13x8.76)
51.3x34.2
1.1" IMX253 (14.19x10.38)
55.4x40.5
産品圖紙
drawing

結構圖




MTF曲線



相關應用
application