DTCM230-110-AL
最高支持2/3‘’靶面(miàn)相機
申請報價
産品參數
産品圖紙
相關應用
産品參數
data
基本參數
支持CCD尺寸(Φmm)
11.4(2/3")
物方視場FOV(Φmm)
110
放大倍率β(x)
0.104
物方工作距WD(mm)
263±4
像方F/#
4.9
物方景深DOF(mm)
±40.7@F11
像方畸變(% max)
<0.1
物方遠心度(° max)
<0.1
物像距I/O(mm)
550±4
鏡頭總長(cháng)(mm)
269.6
鏡頭接口
C
淨重(KG)
2.7
像方MTF30(lp/mm)
>190
視野範圍 (mmxmm)
1/1.8" EV76C570 林快(7.2x5.4)
69.2x51.9
1/1.7" IMX226 (農哥7.5x5.6)
72.1x53.8
2/3" IMX250/264 (8刀又.45x7.1)
81.3x68.3
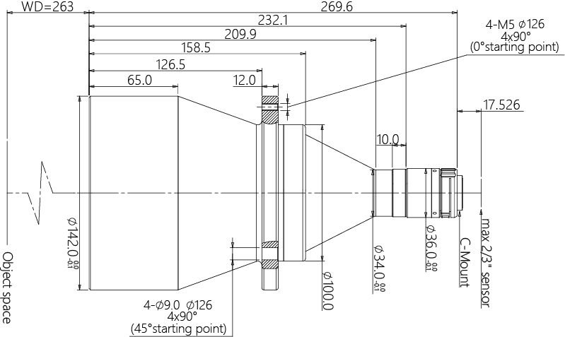
産品圖紙
drawing

結構圖




MTF曲線



相關應用
application