WWK03-110-230
工作距110mm
申請報價
産品參數
産品圖紙
相關應用
産品參數
data
基本參數
支持CCD尺寸(Φmm)
11.0(2/3")
放大倍率β(x)
0.3
物方工作距WD(mm)
110±2
像方F/#
6
像方MTF30(lp/mm)
>170
物方景深DOF(mm)
±2.5@F5.6
像方畸變(% max)
<0.02
物方遠心度(° max)
<0.04
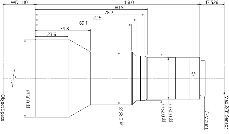
鏡頭總長(cháng)(mm)
118.0
鏡頭接口
C
是否同軸光
視野範圍(mm x mm)
1/1.8" EV76C57都就0(7.2x5.4)
24.0x18.0
1/1.7" IMX226 (7.5X5.6)
25.0x18.7
2/3" IMX250/兒國264 (8.45x7.1)
28.2x23.7
産品圖紙
drawing

結構圖




相關應用
application