DTCM35FH-72-M58-AL
最高支持35mm Full靶面(miàn)相機
申請報價
産品參數
産品圖紙
相關應用
産品參數
data
基本參數
支持CCD尺寸(Φmm)
43.6(35mm Full)
物方視場FOV(Φmm)
72
放大倍率β(x)
0.606
物方工作距WD(mm)
178±3
像方F/#
12.8
物方景深DOF(mm)
±2.2@F20
像方畸變(% max)
<0.1
物方遠心度(° max)
<0.1
物像距I/O(mm)
506±3
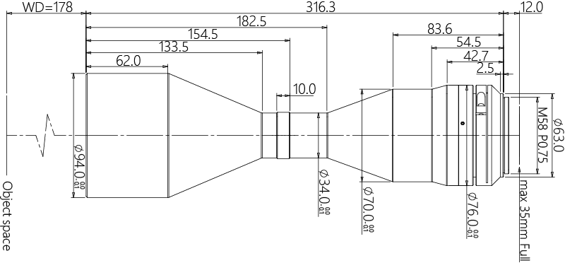
鏡頭總長(cháng)(mm)
316.3
鏡頭接口
M58
淨重(KG)
1.8
像方MTF30(lp/mm)
>70
視野範圍(mmxmm)
CMV50000 (36.43x27.62)動子
60.1x45.6
KAI29050/2 (36.17x24.11)
59.7x39.8
KAI43142 (36.18x24.12)
59.7x39.8
産品圖紙
drawing

結構圖



相關應用
application