DTCM125-36
最高支持1/2.5‘’靶面(miàn)相機
申請報價
産品參數
産品圖紙
相關應用
産品參數
data
基本參數
支持CCD尺寸(Φmm)
7.2(1/2.5")
物方視場FOV(Φmm)
36
放大倍率β(x)
0.2
物方工作距WD(mm)
110±2
像方F/#
4.2
物方景深DOF(mm)
±11.0@F11
像方畸變(% max)
<0.1
物方遠心度(° max)
<0.1
物像距I/O(mm)
251±2
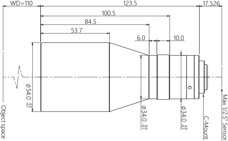
鏡頭總長(cháng)(mm)
123.5
鏡頭接口
C
淨重(KG)
0.4
像方MTF30(lp/mm)
>190
視野範圍 (mmxmm)
1/3" AR130/RJ33(4.8x3.放老6)
24.0x18.0
1/2.5" 9P001/31 (5.7x4.28)
28.5x21.4
産品圖紙
drawing

結構圖




MTF曲線



相關應用
application