DTCM125-42
最高支持1/2.5‘’靶面(mi訊樂àn)相機
申請報價
産品參數
産品圖紙
相關應用
産品參數
data
基本參數
支持CCD尺寸(Φmm)
7.2(1/2.5")
物方視場FOV(Φmm)
42
放大倍率β(x)
0.171
物方工作距WD(mm)
118±3
像方F/#
4.2
物方景深DOF(mm)
±15.0@F11
像方畸變(% max)
<0.1
物方遠心度(° max)
<0.1
物像距I/O(mm)
244±3
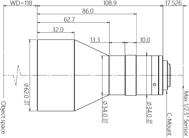
鏡頭總長(cháng)(mm)
108.9
鏡頭接口
C
淨重(KG)
0.4
像方MTF30(lp/mm)
>200
視野範圍 (mmxmm)
1/3" AR130/RJ33(4.8x3.6)
28.1x21.1
1/2.5" 9P001/31 (5.空視7x4.28)
33.3x25.0
産品圖紙
drawing

結構圖




MTF曲線




相關應用
application